洛陽百潤斯軸承有限公司專業生產銷售SKF結構RKS系列回轉支承,轉盤軸承,具有高精度、高剛性的特點。可來圖來樣加工,接受小額訂單。
RKS定制四點接觸球回轉支承,外齒式,外徑1144mm~1398mm
|
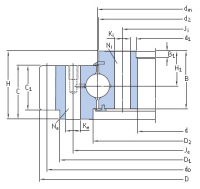
Model |
dm |
D |
d |
H |
Ca |
Cao |
Mass |
| RKS.204040101001 | 980 | 1144 | 868 | 100 | 588 | 4470 | 220 |
| RKS.302070202001 | 1258 | 1398 | 1155 | 80 | 449 | 3960 | 205 |
RKS定制四點接觸球回轉支承,無齒式,外徑234mm~475mm
|
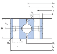
Model |
dm |
D |
d |
H |
Ca |
Cao |
Mass |
| RKS.900155101001 | 179 | 234 | 125 | 25 | 80 | 280 | 6 |
| RKS.951145101001 | 257 | 332 | 189 | 45 | 239 | 675 | 17 |
| RKS.901175101001 | 402 | 475 | 335 | 45 | 219 | 1030 | 27 |